网站公告

  • 电话号码: 0317-8046808
  • 咨询热线: 0317-8046808
  • 手机号码: 13383374663
  • 邮箱: nuojinde@163.com
  • 地址: 河北省泊头市富镇
  • QQ:点击这里给我发消息
除尘骨架
当前位置: 网站首页 > 除尘器配件 > 除尘骨架 >

方型除尘骨架生产厂家

方型除尘骨架采用扁形结构,方型除尘骨架的纵筋和反撑环分布均匀,并有足够的强度,防止损坏和变形,方型除尘骨架采用有机硅喷涂或镀锌、喷漆等技术,镀层牢固,耐腐,避免了

详细参数

方型除尘骨架

方型除尘骨架简介:
方型骨架也称梯形骨架,是采用专用设备一次焊接成型。
其特点:焊接牢固,外表光洁挺直。方型骨架是滤袋的肋骨,除尘骨架的质量直接影响滤袋的工作状态与使用寿命。
方型除尘骨架采用扁形结构,方型除尘骨架的纵筋和反撑环分布均匀,并有足够的强度,防止损坏和变形,方型除尘骨架采用有机硅喷涂或镀锌、喷漆等技术,镀层牢固,耐腐,避免了除尘器工作一段时间后笼骨表面锈蚀与滤袋黏结,保证了换袋顺利,同时减少了换袋过程中对布袋的损坏。
方型除尘骨架图片:
    除尘器框架是滤袋的肋骨,它应轻巧,便于安装和维护,框架的质量直接影响滤袋的过滤状态和使用寿命。我公司引进先进的框架制造设备,使用高频焊机一次焊接骨架成型。采用有足够强度和钢度的铁丝或不锈钢丝。镀锌、喷塑、镀有机硅等处理方式。本公司采用有机硅技术处理的骨架完全可以替代不锈钢骨架,可大大降低设备的维护成本。并且制造的每一只框架都能符合轻巧、光滑、挺直的要求。年生产量200万只,可满足客户急时供货需求。
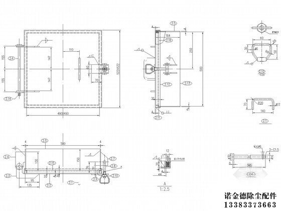
方型除尘骨架图纸:
        方型除尘骨架也称梯形框架,是采用专用设备一次焊接成型,方型除尘骨架的笼骨采用扁形结构,笼骨的纵筋和反撑环分布均匀,并有足够的强度,防止损坏和变形。
  方型除尘骨架采用有机硅喷涂或镀锌、喷漆等技术,镀层牢固,耐腐,避免了除尘器工作一段时间后笼骨表面锈蚀与滤袋黏结,保证了换袋顺利。方型除尘骨架同时减少了换袋过程中对布袋的损坏。